今天是:
联系我们 设为首页 收藏本站
  返回首页  |  公司介绍  |  新闻中心  |  产品中心  |  企业论坛  |  人才招聘  |  客服中心
产品如下:
 CT—C型系列热风循环烘箱
 YZG、FZG真空干燥机
 SZG双锥回转真空干燥机
 SMH系列隧道灭菌烘箱
 DW系列带式干燥机
 ZHG内热式真空耙式干燥机
 XF系列沸腾干燥机
 GZQ系列振动流化床干燥机
 QG气流干燥机
 FG气流干燥机
 TG系列滚筒刮板干燥机
 SXG系列旋转闪蒸干燥机
 JRF系列燃煤热风炉
 RLY系列燃油热风炉
 FL系列沸腾制粒机
 PGL-B型喷雾干燥制粒机
 LPG高速离心喷雾干燥机
 ZLG中药浸膏喷雾干燥机
 YPG压力喷雾干燥机
 GHL高速混合制粒机
 T200-800型系列酒精回..
 MC系列脉冲布袋除尘器
 WFJ系列微粉碎机
 KZL快速整粒(粉碎)机
 GFS系列高效粉碎机
 30B型万能高效粉碎机
 YK型摇摆式颗粒机
 GK干式制粒机
 XL250型旋转式颗粒机
 LXZS系列振动筛
 HJ系列双锥混合机
 VHJ系列V型混合机
 SYH系列三维运动混合机
 DSH双螺旋锥形混合机
 EYH系列二维运动混合机
 CH系列槽形混合机
 可倾夹层锅
 烘箱配件
 KL-300-A型旋转式造粒机
 KL-300-B型旋转式造粒机
 CSJ粗碎机
 GFY系列关风机
 
  GHL高速混合制粒机产品

本机采用卧式圆筒构造,结构合理。 
充气密封驱动轴,清洗时可切换成水。 
流态化造粒,成粒近似球形,流动性好。 
较传统工艺减少25%粘合剂,干燥时间缩短。 
每批仅干混2分钟,造粒1-4分钟,工效比传统工艺提高4-5倍。 
在同一封闭容器内完成,干混-湿混-制粒,工艺缩短,符合GMP规范。 
整个操作具有严格的安全保护措施。


    粉体物料与粘合剂在圆筒形容器中由底部混合浆充分混合成湿润软材,然后由侧置的高速粉碎桨切割成均匀的湿颗粒。   


名称 单位 10 50 150 200 250 300 400 600
容积 L 10 50 150 200 250 300 400 600
产量 kg/batch 3 15 50 80 100 130 200 280
混合速度 r.p.m 300/600 200/400 180/270 180/270 180/270 140/220 106/155 80/120
混合功率 kw 1.5/2.2 4/5.5 6.5/8 9/11 9/11 13/16 18.5/22 22/30
切割速度 r.p.m 1500/
3000
1500/
3000
1500/
3000
1500/
3000
1500/
3000
1500/
3000
1500/
3000
1500/
3000
切割功率 kw 0.85/1.1 1.3/1.8 2.4/3 4.5/5.5 4.5/5.5 4.5/5.5 6.5/8 9/11
压缩空气耗量 m3/min 0.6 0.6 0.9 0.9 0.9 1.1 1.5 1.8
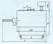
型 号 A B C × D E F
10 270 750 1000×650 745 1350
50 320 950 1250×800 970 1650
150 420 1000 1350×800 1050 1750
200 500 1100 1650×940 1450 2050
250 500 1160 1650×940 1400 2260
300 550 1200 1700×1000 1400 2310
400 670 1300 1860×1100 1550 2410
600 750 1500 2000×1230 1750 2610
    
佳业药化版权所有 Copyright(C) 2004 All Rights Reserved
Email:market@wjdry.com Tel:0519-88902392 88903502 Fax:0519-88903502
常州创联网络制作与维护 [管理者登陆]